Гуртовая надпись соотв•Ьтствуетъ металлу и достоинству

Для золотыхъ монетъ

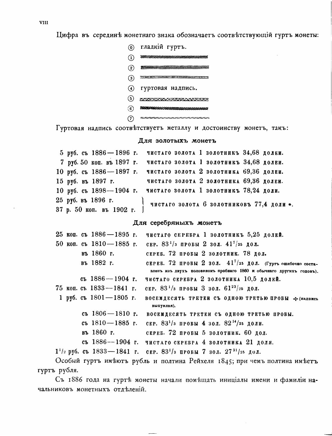
Цифра въ середин± монетнаго знака обозначаетъ гуртъ монеты:

гуртъ.

гуртовая надпись.

1833—1841

монетъ, такъ:

34,68 ДОЛБИ.

34,68 ДОЛЕИ.

69,36 ДОЛЕИ.

69,36 ДОЛЕН.

78,24 доли.

15

37

25

50

75

1

5 руб. съ 1886—1896 г

. 50 коп. въ 1897

7 руб

10 руб.

съ 1886—1897 г

руб.

въ 1897 г.

руб. съ 1898—1904

25 руб. въ 1896 г.

ЧИСТА ГО ЗОЛОТА ЗОЛОТНИКЪ

ЧИСТ АГО ЗОЛОТА 1 ЗОЛОТНИКЪ

ЧИСТЛГО ЗОЛОТА 2 ЗОЛОТНИКА

ЧИСТА ГО золотк 2 ЗОДОТНИКА

ЧИСТАГО ЗОЛОТА 1 ЗОЛОТНИКЪ

ЧИСТА ГО ЗОЛОТА 6 ЗОЛОТНИКОВЪ 77,4 ДОЛИ •.

р. 50 коп. въ 1902

Для серебряныхъ монетъ

коп. съ

коп. съ

коп. съ

руб. съ

въ 1860 г

1882 г

въ 1860 г

1886—1895 г

1810—1885

1886— 1904

1801—1805 г

1806—1810 г

1810—1885 т

г.

1886--1904 г.

руб. съ 1833—

1841 т.

ЧИСТАГО СЕРЕБРА 1 ЗОЛОТНИКЪ 5,25 ДОЛЕЙ.

СЕР. 831/3 провы 2 зол. 417/25 дол.

СЕРЕВ. 72 ПРОБЫ 2 ЗОЛОТНИК. 78 ДОЛ.

СЕРЕВ. 72 провы 2 ЗОЛ. 417/25 ДОЛ. (Гурть ошибочно соста-

Вланъ иаъ двухъ половиВOКЪ пмваго и обычнаго другихъ Годов».

ЧИСТАГО СЕРЕБРА 2 ЗОЛОТНИКА 10,5 ДОЛВЙ.

СЕР. 831/3 провы З зол. 6123/25 дол.

ВОСЕМДЕСЯТЬ ТРЕТЕИ СЪ ОДНОЮ ТРЕТЬЮ провы

выпуклая).

ВОСЕМДЕСЯТЬ ТРЕТЕИ СЪ ОДНОЮ ТРЕТЬЮ провы.

СЕР. 831/3 ПРОВЫ 4 ЗОЛ. 8214/25 ДОЛИ.

СЕРЕВ. 72 ПРОБЫ 5 ЗОЛОТНИК. 60 ДОЛ.

ЧИСТЛГО СЕРЕБРА 4 ЗОЛОТНИКА 21 ДОЛИ.

СЕР. 831/3 провы 7 зол. 2721/25 дол.

Особый гуртъ икЬютъ рубль и полтина Рейхеля 1845; при чемъ полтина им±етъ

гурть рубля.

Съ 1886 года на гурт-К монеты начали пом-Кщать имени и на-

чальниковъ монетныхъ