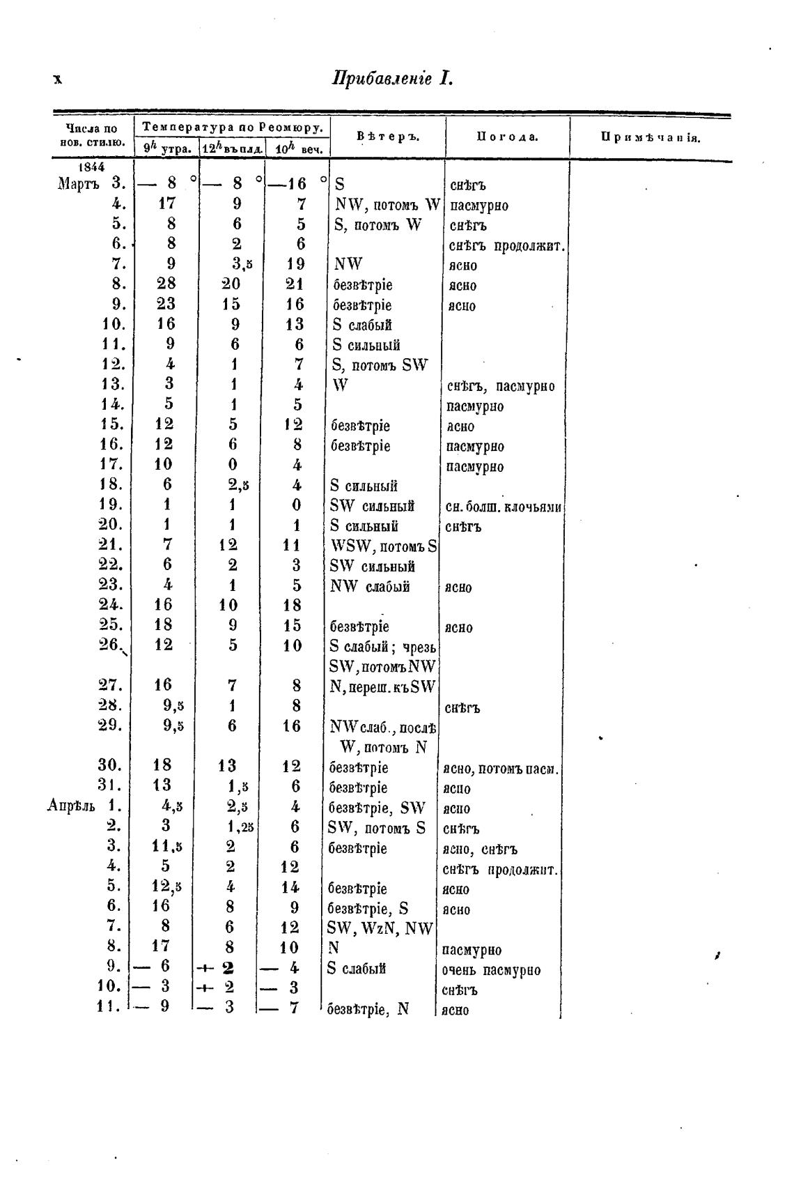
11pu5aBe0Hie 1.

Час“ по

нов. стилю.

9h утра. алд 10ћ веч.

1844

Марть 3

—8 —8 0—16

4.

9

5.

6

6.

2

7.

8.

20

9.

15

10.

9

11.

6

12.

13.

1

1

15.

5

16.

6

17.

о

18.

19.

20.

21.

12

22.

2

23.

1

24.

10

25 •

9

26.

5

27.

7

28.

29.

б

30.

13

31.

1,5

Апртль 1 .

2,5

1,25

з.

2

4.

2

5.

6.

8

7.

6

8.

8

2

2

11. 9

Температура по Реомюру.

В±теръ.

NW, потомъ W

S, потомъ W

NW

6e3BMpie

6euMpie

S слабый

S сильный

S, потомъ SW

6e3BMpie

6e3BMpie

S сильный

SW сильный

S сильный

И о тола.

снтгъ

пасмурно

сн%гъ

сн±гъ продолжит.

ясно

ясно

ясно

ен•Ьгъ, пасмурно

пасмурно

асно

пасмурно

пасмурно

сн. болш. клочьями

сн±гъ

Пр и м Т чан

17

8

8

9

28

23

16

9

з

5

12

12

10

6

1

7

6

16

18

12

16

9,5

18

13

з

11.5

5

12,5

16

8

17

7

5

6

19

21

16

13

6

7

4

5

12

8

4

4

0

1

11

З

5

18

15

10

8

8

16

12

6

6

6

12

14

9

12

wsw, s

SW сильный

NW слабый

ясно

6e3BtTpie

ясно

S слабый; чрезь

SW,H0T0MbNW

сн•вгъ

NWua6., послј

W, потомъ N

6e33tTpie

6e3BMpie

безвМрЈе, SW

SW, потомъ S

6e3BMpie

6e3BMpie

6e3BMpie, S

SW, wzN, NW

S слабый

6e3BMpie, N

ясно, потомъ пасм.

асио

асио

ясно, енјгъ

продолжит.

ясно

ясно

пасмурно

очень пасмурно

сн±гъ

асно