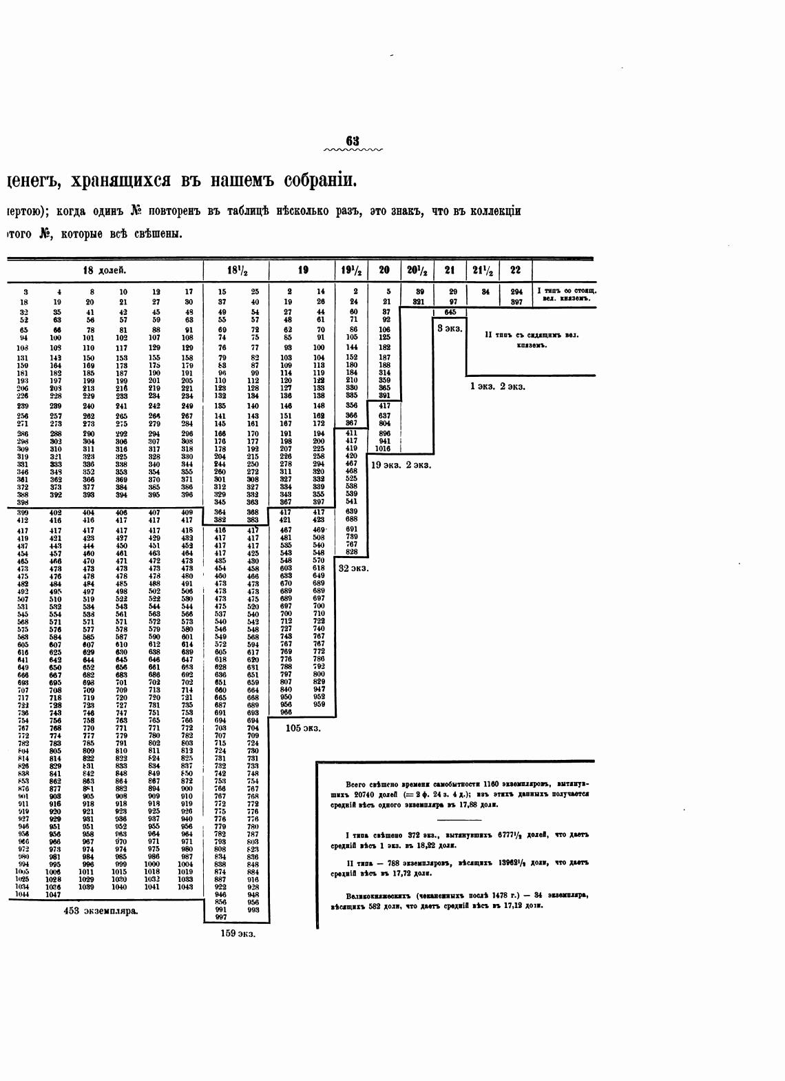
63

(енегъ, хранящихся въ нашемъ

[ертою); когда одинъ повторень въ таблицећ н±сколько разъ,

лого Е, которые вс•ђ св%шенн.

это знакъ, что въ коддекји

18 дозе“.

19/2

105

144

184

210

385

з.я

ив

411

417

419

420

525

538

539

взо

688

В28

20

125

182

зи

350

417

аз7

20','2

21

3 эка.

211/2

22

1 тощ.

239

410

4В5

473

35

575

ив

772

782

књя

927

1 (05

1 он

182

228

289

257

31 о

362

392

421

457

473

470

532

554

576

584

625

342

Вы

695

756

774

814

841

871

973

101

185

213

229

304

352

зов

377

423

470

473

478

497

519

534

533

Во7

В29

652

682

723

758

770

785

842

Из

921

074

1039

10

42

102

153

233

31B

325

338

353

427

473

522

ыз

587

B4.s

вез

709

; 24)

7В3

771

779

791

810

822

833

848

882

923

952

явз

070

974

990

1015

27

107

129

155

219

234

242

279

307

317

328

340

370

385

429

472

478

522

544

572

579

612

683

701

713

790

811

834

887

894

925

937

355

964

971

986

1032

17

120

221

234

249

267

284

330

355

371

зов

$33

452

473

480

491

573

взв

702

782

825

837

91 о

1019

1033

1043

18','2

132

134

145

1BI

17B

) 77

204

215

244

250

272

312

327

329

332

382

из

417

417

425

435

430

400

473

473

475

475

537

540

543

548

549

572

594

618

628

взв

ВЫ

вв-7

689

вот

воз

004

715

724

724

732

733

742

737

776

779

787

вов

823

838

848

874

884

887

экз.

19

19

27

вз

151

ТВ7

207

278

327

334

из

421

487

535

543

548

603

633

670

689

389

во7

712

727

743

-.37

709

776

797

11 тип еъ

экз. 2 экз.

138

172

[94

225

258

332

330

469 •

мо

548

мо

618

649

689

689

697

740

7B7

7B7

772

786

829

90

959

19 эка. 2 экз.

105 экз.

32 экз.

а“ытвовв

20710 (2 В ф. 24 з. дииНх•

орого П 178

тип. с•4шпо 379 6777']. ДИВ, ПО АТЬ

ередМ1 а». дои.

П тпп — дои, что

П 17,72 доп.

Вювкокшхиихъ 1478 г.) — И

дохи, «то 17,19 10“.

453 экземпляра.